Why does the capacitor leak electricity? Leakage test of capacitor
Date:2022-03-28 14:29:30 Views:9761
Capacitor is an indispensable part of circuit or power equipment. And there are many kinds of capacitors, ceramic capacitor is one of them. The reason why the capacitor will leak electricity is that the dielectric material between the two poles of the capacitor cannot be absolutely insulated, but can only be relatively insulated. Therefore, there is leakage current in some capacitors.
What is capacitive leakage current?When the rated DC working voltage is applied to the capacitor, it will be observed that the charging current begins to change greatly, decreases with time, and reaches a more stable state at a certain final value, which is called leakage current.
Do capacitors have leakage current?Generally, the leakage current of electrolytic capacitors is large, and that of other capacitors is very small. Especially for thin-film capacitors, the leakage current of high-quality thin-film capacitors is very small, which has little impact on the circuit.
What factors are related to the leakage current?
1. It is most closely related to DC voltage. The leakage current is related to the applied DC voltage. The greater the applied voltage, the greater the leakage current. At the same time, it is related to the time of applying DC voltage. The longer the time, the smaller the leakage current.
2. It is also closely related to the capacitance. The capacity of the capacitor is also one of the factors affecting the leakage current of the capacitor. The larger the capacity, the greater the leakage current.
Xiaobian reminder: when using electrolytic capacitors, we need to consider the leakage current of capacitors, but for thin-film capacitors, because the leakage current is very small, it will basically not affect the normal operation of the circuit.

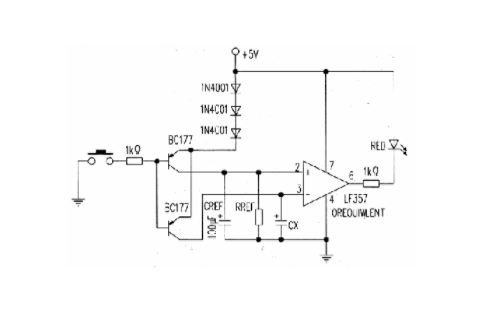
Electrolytic capacitors will have leakage after a long time. The circuit shown in the attached figure allows you to test the leakage of capacitors and decide whether they are worth using. The leakage can be restrained by the ratio of CREF / rref.
The ratio in the attached figure is applicable to the general test of all capacitors from 1 nanomethod ceramic capacitor to 1000 micro method electrolytic capacitor. The value of CREF in the circuit is close to the value of capacitor CX to be tested. Rref can also be selected through a rotary switch to make it greater than or less than 22m Ω.
Weixin Service
DouYin
KuaiShou