电容器是电路或电力设备中不可缺少的一部分。而且电容器的种类很多,瓷片电容器就是其中之一。电容之所以会漏电,因为电容两极之间的介电材质不可能是绝对绝缘的,只能是相对绝缘,因此有些电容存在漏电流。
什么是电容漏电流?对电容器施加额定直流工作电压将观察到充电电流的变化开始很大,随着时间而下降,到某一终值时达到较稳定状态这一终值电流称为漏电流。
电容都有漏电流吗?一般电解电容器的漏电流较大,其他电容器的漏电流很小。特别是薄膜电容,优质的薄膜电容漏电流都很小,对电路影响不大。
电容漏电流大小与哪些因素有关?
1、与直流电压关系最密切。漏电流大小与施加的直流电压有关,随着施加的电压越大,漏电流越大。同时与施加直流电压的时间有关系,时间越长,漏电流就越小。
2、与电容的容量大小关系也很密切。电容的容量也是影响电容的漏电流的因素之一,容量越大漏电流就越大。
小编提醒:使用电解电容的时候,需要考虑电容的漏电流大小,但对于薄膜类电容,由于漏电流很小,基本上不会影响电路的正常运行。

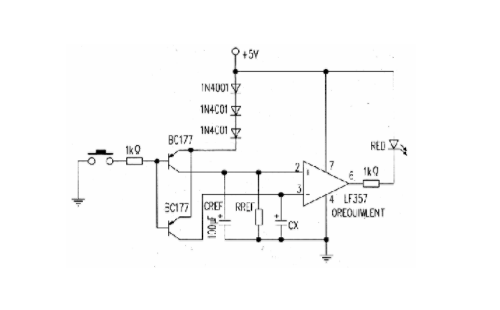
电解电容器时间用长后就会出现漏电现象,附图所示的电路能让你测试电容器的漏电,并且决定它们是否值得使用,可以通过CREF/RREF的比值抑制泄漏。
附图中的比值适用于从1纳法的陶瓷电容器到1000微法的电解电容器等所有电容器的通用测试。电路中CREF的数值与待测电容器CX的数值相近,也可以通过一个旋转开关选择RREF,使其大于或小于22MΩ。